產品說明

適用斷路器
適配 施耐德 NSX-400、人民 RMM2-400、ABB TMX-T5
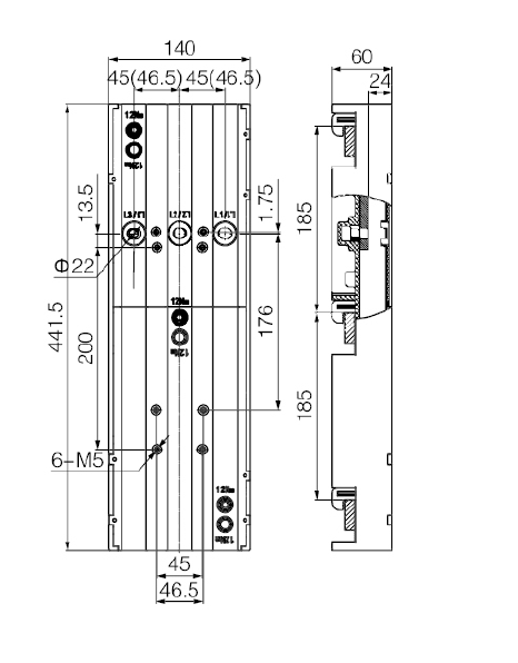
塑殼尺寸:45×200×M5或46.5×176×M5
塑殼要求:支持板后開孔
連接系統:上端至系統
產品說明
型號:ZJQ-400
適用系統:185mm
極數:3極
適用母線:15、20、25、30×10 矩形母線及異形母線
產品性能
額定工作電流Ie:400A
額定工作電壓Ue:690V
額定沖擊耐受電壓Uimp:6kV
額定絕緣電壓:1000V
參考標準
IEC 61439-1
GB/T 7251.1
適用條件

適用主母線
15、20、25、30×10 矩形母線及異形母線
附件
接線柱附件包
產品優勢

利用轉接器可直接將斷路器安裝到銅排上,無需額外打孔,便捷高效;
尺寸圖


文件下載
