產品說明

異形銅母線(720平方*3600mm)
母線在母線系統中兼具導電與支撐的作用,采用鍍錫銅排既能降低連接預處理成本、簡化安裝,又能抵御腐蝕,提升系統耐用性與經濟性。
訂貨信息
訂貨號:DN51190
型號:DNTM2-11/11
材質:Cu ≥99.9%
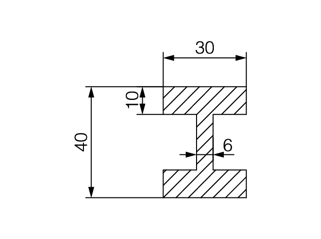
橫截面:720 mm2
長度:3600 mm,表面鍍錫
定制:支持裁剪
其他長度
DN51608(長度:2400 mm)
DN51397(長度:790 mm)
DN51831(長度:650 mm)
DN51398(長度:590 mm)
DN51838(長度:450 mm)
產品信息
電流:1600A
電壓:690V
電阻率:≤0.017772Ω·mm2/m
RoHS
符合性聲明
編號:ROHS8 120624 0003
依據:EN 62321-1:2013
EN IEC 62321-2:2021
EN 62321-3-1:2014
EN 62321-8:2017 進行測試
測試報告
編號:87.400.23.257.03-00.01
適用條件

? 適配 60mm 母線系統
產品優勢

? 減少了傳統布線的空間需求
? 鍍錫處理簡化安裝,能抵御腐蝕
尺寸圖


文件下載

如果您有任何關于合作的報價或有任何查詢,請隨時給我們發電子郵件scb@grlele.com或使用下面的查詢表格。我們的銷售代表將在24小時內與您聯系。感謝您對我們產品感興趣。
我想購買2T-720 型母線