產品說明

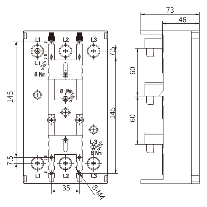
本產品為ZJQ-250系列,可直接將適配的斷路器安裝于系統中,此轉接器的接線方式為銅柱連接。
適用范圍 | |
訂貨號 | DN55221 |
適用系統 | 60mm 三極 上端/下端至系統 |
適用標準銅母線 | 12、15、20、25、30×5、10 |
塑殼要求 | 需板后能開孔 |
適配塑殼安裝尺寸 | 35×145×M4 |
塑殼示例 | 伊頓 NZM2-250 |
主要技術參數 | |
額定工作電流 | 250A |
額定工作電壓 | 690V |
額定沖擊耐受電壓 | 6kV |
額定絕緣電壓 | 1000V |
參考標準 | IEC61439-1 GB/T 7251.1 |
適用條件

正常工作條件
1.室內周圍空氣溫度:周圍空氣溫度不超過+40℃,而且在24h內其平均溫度不得超過+35℃。周圍空氣溫度的下限為-5℃。
2.戶外周圍空氣溫度:周圍空氣溫度不超過+40℃,而且在24h內其平均溫度不得超過+35℃。
3.最高污染等級:3 材料組別(mm):IIIa
4.海拔:安裝場地的海拔不得超過2000m。
產品優勢

可靠與安全:短路和過載保護,確保安全可靠。
模塊化設計:模塊化安裝快速,布局整潔美觀。
可視化操作:分、合閘可視化,支持掛鎖保護。
多功能集成:集成電能測量,可遠程輸出功能
檢修與維護:電路容量靈活調整,降低維護難度。
尺寸圖


文件下載
