產品說明

本產品為一般用途保護用熔斷體,具有全范圍分斷能力,適用于低壓成套設備、器件的過載及短路保護。
熔斷體
額定電壓Un
690V AC,440V DC;
額定電流In
500A、550A、630A、710A、800A、900A、1000A、1200A、1500A、1600A
額定分斷能力
100kA
分斷范圍和使用類別
gG
認證標志
CCC、CE
適于行業
電力
熔斷體支持件
DN56340、DN56341
包裝信息
包裝類型
箱裝
包裝數量
1 只/12 只
包裝尺寸
44.0cm*30.0cm*26.5cm
適用條件

環境
1)溫度范圍工作溫度范圍:-5℃~+40℃
2)工作濕度范圍:≤50%(40℃時),≤90%(20℃時)。
3)海拔高度:≤2000m。
安裝
刀型觸頭熔斷體,需配套底座安裝。
存儲
熔斷體在儲存時,應防止雨雪的侵蝕,存放在空氣流通,空氣相對濕度(25℃時)不大于90%,溫度不高于40℃及不低于-30℃的倉庫中。
維護
1)定期清掃灰塵,檢查接觸點接觸情況。
2)維護檢查時,要按安全規程要求,切斷電源,不允許帶電取下熔斷體。
產品優勢

該系列熔斷器具有 2 A 至 1600 A的額定電流,提供出色的性能和可靠性。
該系列熔斷器采用單指示設計,通過與微動開關實現遠程提供熔斷器狀態。
該系列熔斷器完全符合 GB/T 13539.2 和 IEC 60269-2 標準
該系列熔斷器已獲得 萊茵TüV 認證,并符合 EN 60269 標準。
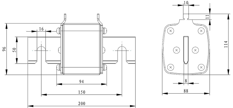
尺寸圖

外形尺寸圖

文件下載
